🔧 Riqualificazione energetica in fase di ultimazione – Milano, Porta Vigentina 🌱
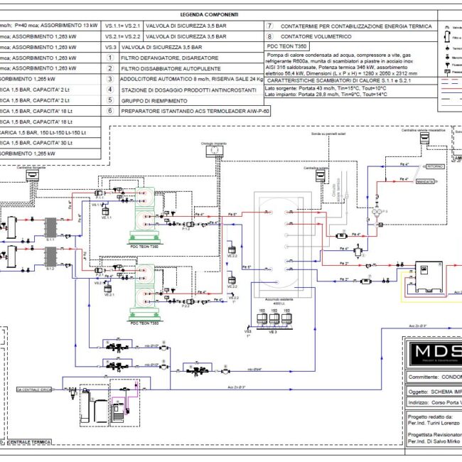
Procedono verso la conclusione i lavori di riqualificazione della centrale termica di un condominio in zona Porta Vigentina.
Il progetto prevede l’installazione di due nuove pompe di calore elettriche geotermiche TEON, ciascuna da 386 kW, a supporto di un sistema più efficiente e sostenibile.
✔️ Riduzione delle emissioni
✔️ Miglioramento dell’efficienza energetica
✔️ Transizione verso fonti rinnovabili
✔️ Maggior comfort per i residenti
Un intervento concreto che dimostra come l’innovazione tecnologica possa integrarsi efficacemente nel patrimonio edilizio esistente, contribuendo agli obiettivi di decarbonizzazione urbana.
#RiqualificazioneEnergetica #PompeDiCalore #Geotermia #EfficienzaEnergetica
#TransizioneEnergetica #Condominio #Milano #PortaVigentina #SostenibilitĂ





